- 3月 2, 2026
产品设计师和机械师在制造各种现代产品时会用到不同类型的孔。盲孔因其制造优势,包括空间利用率、提升产品美观度和强度,在加工中较为常用。它们拥有标准设计特征,即深度和形状各异但不会穿透工件另一侧的凹坑。
本文将讨论工程和加工中的盲孔、其重要性及应用,你还将了解其他类型孔以及加工盲孔的实用注意事项。
工程和加工中的盲孔是什么?
盲孔是一种不会穿透工件材料另一端的孔腔。这种孔可以通过铰孔、铣削或钻孔至特定深度制成,而不会完全穿透材料至另一侧。因此,盲孔底部通常是封闭的,为紧固件、螺丝、销钉、槽和其他部件创建凹槽。
机械师经常在金属和木工项目中使用盲孔,以确保紧密贴合,能够固定并隐藏螺丝或部件,打造独特外观。
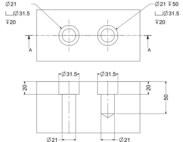
盲孔的标注符号

产品工程师和机械师经常使用标准化符号在制造领域传达设计要求。盲孔的标注符号会在工程图纸上显示其所需位置、螺距、紧固件尺寸、直径和深度规格。因此,该标注符号有助于机械师和产品工程师理解设计意图并准确钻孔。
如何逐步钻盲孔?
在部件上钻孔需要谨慎操作,以实现准确的深度和对齐。以下是钻出精确盲孔的分步指南。
准备工件
首先,必须用虎钳或夹具牢固固定工件。确保工件位置固定,防止加工过程中出现偏转或移动。然后,用尖锐的工具或中心冲在工件表面标记孔的中心。这为钻头创建了起点,并有助于防止其偏转。

选择合适的钻头
由于钻头类型多样,钻头的尺寸必须与要钻孔的规格相匹配。选择合适半径的钻头后,将其插入钻夹头并牢固拧紧。此外,确保其正确对齐,防止钻孔时出现偏差或晃动。
确定钻孔深度
设置钻孔深度,并计算钻头尖端与所需盲孔末端之间的距离。使用记号笔或一段胶带在钻头上做标记,作为深度指示。
开始钻孔并监测钻孔深度
将钻头放在标记的中心点上。然后,施加适度且恒定的向下压力,同时保持稳定的钻孔速度。为了轻松高效地加工盲孔,先缓慢钻孔以切出导向孔,然后随着孔加深逐渐提高速度。
钻孔时,使用深度规或附在钻头上的胶带定期检查孔深。
清除碎屑
钻孔时会产生碎屑,因此孔内可能会形成碎屑。因此,必须偶尔退出钻头以清除碎屑。这有助于防止碎屑或碎屑影响钻孔精度。
钻孔时常用钻头螺旋槽或手动气枪清除碎屑。你也可以使用压缩空气和高压液态冷却剂等清洁技术。

完成并检查盲孔
钻孔至标记的所需深度。你可以采用不同的后处理工艺来平滑孔或实现精细表面。
此外,钻完盲孔后,检查其是否符合规定的直径和深度。同时,检查是否有粗糙边缘或毛刺,这些可能需要进一步处理。
盲孔的优缺点是什么?
盲孔的优势
工程和加工中的盲孔在不同应用中具有广泛优势。以下是盲孔的预期优势:
提升美观度
盲孔通过隐藏紧固件提升了制成部件的美观度,使其视觉上更具吸引力,且没有传统紧固件的可见突起。
增强强度并减少应力集中
在部件上加工盲孔可增强其强度,均匀分布重量并提高工件的整体稳定性。盲孔通过减少应力集中防止潜在故障点,确保产品使用寿命延长。
减轻重量并节省空间
在空间有限的电子或航空航天应用中,盲孔可创建设计更紧凑的产品。因此,制造商可以优化可用空间,打造轻便精致的产品。

盲孔的局限性
尽管盲孔在各种应用中有所帮助,但也存在各种局限性。以下是盲孔的常见缺点:
碎屑易滞留
由于盲孔不会穿透材料至另一侧,碎屑或切屑容易滞留在盲孔底部。更重要的是,检查和清洁盲孔较为困难,因为无法透过盲孔看到另一侧。
攻丝复杂
攻丝盲孔可能比攻丝通孔更具挑战性,很难确保盲孔攻丝的均匀性和准确性。
材料翘曲或变形
在加工铝和低碳钢等材料时,这些材料尤其容易在受热或受压时变形,盲孔周围的材料完整性可能会受到影响。
盲孔的各种应用
由于盲孔具有增强强度和美观度的优势,因此常用于各种应用。盲孔的典型应用包括:
航空航天
该领域的制造商经常在构建不同飞机部件时使用盲孔,目的是减轻重量,同时不牺牲飞机部件的主要强度。
电气和电子元件
工程师和机械师经常在电子电路板上使用盲孔,为连接器、支柱和间隔物等部件创建安装点。这些孔便于牢固安装,且不会损坏电路板另一侧的走线或元件。
模具和型腔制造
盲孔用于生产用于注塑、成型和铸造技术的模具和型腔。它们建立冷却通道、顶出销和定位特征的安装点,并有助于提高模具性能和成型部件的质量。
汽车
汽车制造商在发动机缸体和传动部件中使用盲孔,以实现可靠安装并减少材料使用。
钻盲孔的注意事项和技巧
加工盲孔需要注重细节才能达到理想效果。以下是有效钻盲孔的实用注意事项。
选择合适的钻头和丝锥
选择与要加工材料相匹配的合适钻头。此外,确保丝锥半径与所需螺纹尺寸相匹配,以实现精确的螺纹盲孔。根据盲孔深度,考虑哪种类型的丝锥(直槽丝锥、螺旋槽丝锥或螺尖丝锥)最适合攻丝盲孔。
钻孔深度余量
测量并在钻头上标记所需深度,避免钻出过深的孔腔,因为这会削弱材料并增加材料断裂的风险。你还可以使用钻床上的可调深度挡圈或深度限位器控制钻孔过程。
更重要的是,钻孔前始终检查深度余量将有助于防止损坏工件。此外,请参考设计规格钻出正确深度的盲孔。
孔的位置和方向
孔的位置和方向对部件的可制造性和实用性有显著影响。要准确钻盲孔,请使用布局尺和中心冲等布局工具标记孔的位置。创建盲孔时,确保其方向与最终产品或组件的所需功能相匹配,使设计能够顺利集成。
孔径
所需孔径将决定理想钻头尺寸,钻头图表是选择合适钻头尺寸的可靠参考。此外,在钻最终盲孔前,务必在废料上测试钻头的贴合度。
清洁盲孔
使用合适的切削液或润滑剂减少钻孔时的热量积聚和摩擦,使用清洁刷或压缩空气从盲孔中提取碎屑。然而,在攻丝前,务必检查盲孔并确认其清洁无碎屑。
盲孔与通孔:有何区别?

除了名称外,盲孔与通孔的区别在于加工过程和结果。盲孔不会穿透工件;它们只钻至总厚度的一部分深度。通孔或贯通孔则穿透至工件的另一侧。
机械师在工件上创建盲孔,为紧固件创建凹槽。这些盲孔通常具有适合汽车、建筑和消费品应用的美观优势。通孔通常用于组件需要牢固固定和对齐的装配中。然而,在必须避免影响工件另一侧的功能或外观的情况下,盲孔是理想选择。
此外,通孔与螺栓、螺丝或销钉等紧固件兼容,这些紧固件可以完全穿过材料,并在另一侧用垫圈或螺母固定。
加工中的其他类型孔
盲孔和通孔是产品制造中常用的孔类型。加工中的其他类型孔包括:

简单孔
简单孔是工程和加工中最常用的孔。它通常是直的、圆柱形的,且具有贯穿材料厚度的恒定直径。这些孔非常适合装配、间隙和定位用途。
铰孔
铰孔通过一种称为铰刀的独特CNC工具进行平滑处理并精确调整至所需直径,并具有理想的光洁度。
沉头孔
这是一种通过在工件上钻孔以确保螺栓或螺丝头与材料表面齐平而创建的锥形孔。机械师在工件上切出沉头,使其表面平整,防止螺丝或螺栓突出。
螺纹孔
螺纹孔是通过一种称为丝锥的专用工具在内部切出螺纹的孔。攻丝过程在工件材料中切出所需深度的螺纹,螺纹孔适用于需要牢固固定机制的螺丝或螺栓等组件。
锥形孔
锥形孔是工程中另一种常用孔。其直径从一端到另一端逐渐变化。这种孔用于各种应用,如压配合接头,以将两个组件牢固地固定在装配中。
韦克加工不同类型孔和复杂结构件
韦克提供全面的加工能力,包括复杂几何形状和各种孔类型。从手板到生产件,我们的CNC加工解决方案确保每个项目的准确性和一致性。凭借先进的CNC技术和一支高度熟练的团队,我们能够满足航空航天、汽车和医疗等行业不同的加工要求。
结论
盲孔对于不同复杂形状部件的合适贴合和功能至关重要。机械师利用这一特性来支撑紧固件、改善表面美观度并加强加工部件。
什么是螺纹盲孔?
螺纹盲孔是一种不完全穿透工件的螺纹孔。螺纹在孔内切出,以促进连接部件之间的牢固可靠连接。
可以在哪些材料上加工盲孔?
机械师可以在塑料、金属和复合材料等不同材料上加工盲孔。然而,材料的属性可能决定兼容的加工方法和工具。
盲孔的标准测量和检验流程是什么?
产品工程师经常采用不同的质量控制方法,以确保盲孔加工的准确性,从而实现可靠的部件装配。计量工具和检验流程、表面轮廓仪、无损检测和坐标测量机是帮助在盲孔中实现准确结果的典型设备。
